Adjusters, Covers, Shields, and Risers for 2002 Chrysler PT Cruiser
No.
Part # / Description / Price
Price
N/A
N/A
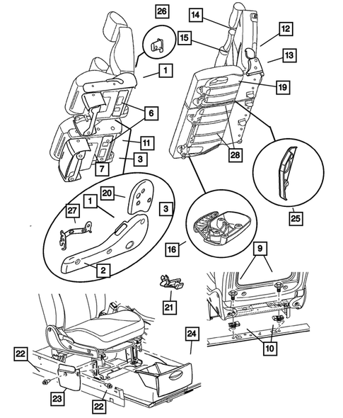
Fold Flat Shield, Outboard
Mopar
Mopar Description: Passenger Side Only. Located Under Shield Seat Cushion
N/A
N/A
N/A
Fold Flat Linkage Cover, Outboard
Mopar
Mopar Description: Passenger Side Only. [Plastic] Moon Shape, Goes Behind Passenger Seat
N/A
Fold Flat Linkage Cover, Inboard
Mopar
Mopar Description: Passenger Side Only. [Plastic] Moon Shape, Goes Behind Passenger Seat
N/A
22
Self Tapping Screw, Right Or Left
Mopar
Mopar Description: M4.2x1.69x19.05. Locations: front corner of C-Pillar, Cowl Trim To Floor
MSRP $9.15
$8.42
MSRP $9.15
$8.42
No.
Part # / Description / Price
Price
N/A
N/A
N/A
N/A
4
Hex Head Bolt And Coned Washer, Mounting
Mopar
Mopar Notes: Transmissions: 5-SPEED MANUAL T350 TRANSMISSION.
Description: M6X1.001X18.00. Rear Balance Shaft Carrier Cover
2 This part contains hazardous materials. Extra shipping costs apply.
No.
Part # / Description / Price
Price
No.
Part # / Description / Price
Price



