Cylinder Block for 2024 Ram 2500
No.
Part # / Description / Price
Price
5
Cylinder Block Plug
Mopar
Mopar Notes: Engines: 6.4L V8 HEAVY DUTY HEMI MDS ENGINE.
Description: [.375-18X1.343]. Oil Gallery Block Off
MSRP $9.75
$8.97
MSRP $9.75
$8.97
6
Dowel Pin, Mounting
Mopar
Mopar Notes: Engines: 6.4L V8 HEAVY DUTY HEMI MDS ENGINE.
Description: Item 13 Pin Kit Also Contained in Short Block Engine Kit. All Plugs And Dowel Pins Must Be Installed On Cylinder Block Before Installing Engine.. Cylinder Heads To Cylinder Block
MSRP $9.45
$8.69
MSRP $9.45
$8.69
7
Hex Socket Plug
Mopar
Mopar Notes: Engines: 6.4L V8 HEAVY DUTY HEMI MDS ENGINE.
Description: 3/8-18NPTx.475. Also Serviced With Cover. Chain Case Cover
MSRP $10.35
$9.52
MSRP $10.35
$9.52
13
Plug, Rear
Mopar
Mopar Notes: Engines: 6.4L V8 HEAVY DUTY HEMI MDS ENGINE.
Description: [M47.93 OD 6.4 THK 51.5 FLG OD]. Camshaft
MSRP $9.70
$8.92
MSRP $9.70
$8.92
14
Block To Clutch Housing Dowel, Mounting
Mopar
Mopar Notes: Engines: 6.4L V8 HEAVY DUTY HEMI MDS ENGINE.
Description: [1/2 x 3/4]. Cylinder Block To Transmission
MSRP $12.50
$11.50
MSRP $12.50
$11.50
15
Dowel Pin, Oil Seal Retainer
Mopar
Mopar Notes: Engines: 6.4L V8 HEAVY DUTY HEMI MDS ENGINE.
Description: Also Serviced In Retainer Package
MSRP $12.35
$11.36
MSRP $12.35
$11.36
16
Pipe Plug
Mopar
Mopar Notes: Engines: 6.4L V8 HEAVY DUTY HEMI MDS ENGINE.
Description: .250-18X.413. Oil Gallery Middle and Right Rear Of Cylinder Block
MSRP $5.15
$4.74
MSRP $5.15
$4.74
19
Hex Flange Head Bolt, Mounting
Mopar
Mopar Notes: Engines: 6.4L V8 HEAVY DUTY HEMI MDS ENGINE.
Description: M6X1.00X24.00. Rear Crankshaft Seal Retainer To Cylinder Block
MSRP $3.40
$3.13
MSRP $3.40
$3.13
22
Plug, Right And Left
Mopar
Mopar Notes: Engines: 6.4L V8 HEAVY DUTY HEMI MDS ENGINE.
Description: .250-18X.690. Cylinder Block Coolant Drain
MSRP $13.95
$12.83
MSRP $13.95
$12.83
23
Hex Screw And Washer, Mounting
Mopar
Mopar Notes: Engines: 6.4L V8 HEAVY DUTY HEMI MDS ENGINE.
Description: [M8X1.25X45.00]. Main Bearing Cap To Cylinder Block
MSRP $5.75
$5.29
MSRP $5.75
$5.29
26
Dowel Pin, Mounting
Mopar
Mopar Notes: Engines: 6.4L V8 HEAVY DUTY HEMI MDS ENGINE.
Description: M8X10.00. Front Timing Case Cover To Cylinder Block
MSRP $9.45
$8.69
MSRP $9.45
$8.69
28
Hex Flange Head Bolt, Mounting
Mopar
Mopar Notes: Engines: 6.4L V8 HEAVY DUTY HEMI MDS ENGINE.
Description: M6x1.00x12.00. Rear Crankshaft Oil Seal Retainer To Cylinder Block
MSRP $8.60
$7.91
MSRP $8.60
$7.91
31
Woodruff Key
Mopar
Mopar Notes: Engines: 6.4L V8 HEAVY DUTY HEMI MDS ENGINE.
Description: Crankshaft Sprocket
MSRP $8.60
$7.91
MSRP $8.60
$7.91
32
Crankshaft
Mopar
Mopar Notes: Engines: 6.4L V8 HEAVY DUTY HEMI MDS ENGINE.
Description: New Part Number For 2013. Not Interchageable With 2012 And Below Crankshaft
MSRP $1,455.00
$974.25
MSRP $1,455.00
$974.25
38
Hex Flange Head Screw, Mounting
Mopar
Mopar Notes: Engines: 6.4L V8 HEAVY DUTY HEMI MDS ENGINE.
Description: M14x2.00x80.00. [M12x1.75x91.2]. Main Bearing Cap To Cylinder Block
MSRP $3.55
$3.27
MSRP $3.55
$3.27
39
Double Ended Stud
Mopar
Mopar Notes: Engines: 6.4L V8 HEAVY DUTY HEMI MDS ENGINE.
Description: M12X1.75X1.25X152.10. Main Bearing Cap To Cylinder Block
MSRP $11.55
$10.63
MSRP $11.55
$10.63
No.
Part # / Description / Price
Price
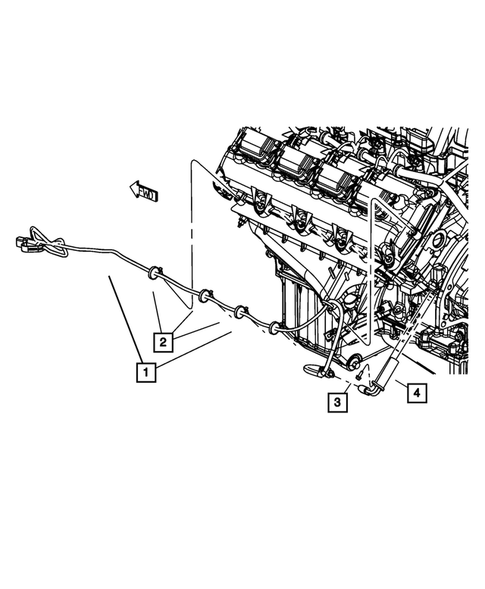
1
Engine Block Heater Cord
Mopar
Mopar Notes: Engines: 6.4L V8 HEAVY DUTY HEMI MDS ENGINE.
MSRP $251.00
$166.50
MSRP $251.00
$166.50
4
Engine Block Heater
Mopar
Mopar Notes: Engines: 6.4L V8 HEAVY DUTY HEMI MDS ENGINE.
Description: Includes Mounting Hardware. Engine Block Heater To Cylinder Block.
MSRP $133.00
$87.36
MSRP $133.00
$87.36

